Table des matières
1.3 Mesure de puissance monophasée
1.4 Mesure de puissance triphasée
1.5 Installation des capteurs de courant
1.5.1 Transformateurs de courant ouvrants (tores)
1.5.2 Capteurs Boucles de Rogowski
1.6 Schéma d’installation type, réseau monophasé
1.7 Schéma d’installation type, réseau triphasé avec Neutre
Liste des figures
Figure 1 – Connection de l’entrée d’alimentation
Figure 2 – Connexion des entrées d’alimentation et de mesure sur un réseau monophasé
Figure 3 – Câblage sur un réseau électrique monophasé
Figure 4 – Câblage alimentation et mesure sur un réseau Triphasé avec neutre
Figure 5 – Indication de sens sur les capteurs Transformateurs de courant ouvrants
Figure 6 – Vue détaillé de l’indication de sens sur les Boucles de Rogowski
Figure 7 – Vue détaillée du connecteur RS485
Figure 8 – Câblage de l’entrée TIC
Figure 9 – Câblage des sorties relais
1 Câblage électrique
1.1 Généralités
L’installation doit être réalisée par du personnel autorisé et qualifié uniquement.
Toutes les règles d’installation, de sécurité et de câblage ainsi que les recommandations propres au site d’installation doivent être respectées.
Des équipements de protection adéquats doivent être installés en amont des entrées d’alimentation et de mesure de tension (voir sections suivantes).
Respectez toujours les règles et recommandations d’usage lorsque vous travaillez avec des équipements électriques.
Pour réaliser les étapes de câblage décrites dans cet article, DotVision recommande l’utilisation d’un tournevis plat de 2.5mm de large pour manipuler les borniers de l'appareil.
Attention : Les borniers d’entrées de mesure de courant sont de type poussoir. Ne pas essayer de visser ou dévisser ces borniers. Le même type de tournevis plat peut être utilisé pour actionner les poussoirs de ces borniers.
Dans les schémas et illustrations de cet article, les dénominations L, L1, L2 et L3 correspondent à des phases électriques (L pour réseau monophasé, L1 à L3 pour réseau triphasé) tandis que N correspond au neutre électrique.
Note : le Spoony 1.5 est commercialisé sous la révision 1.5.1 depuis novembre 2022. Il n'y a aucune différence d'installation entre la révision 1.5 et 1.5.1 mais par souci de clarté vis-à-vis de l'apparence externe du produit, cet article illustre les deux révisions.
1.2 Alimentation
L’appareil doit être alimenté depuis une source de tension de 80 à 270VRMS alternative. L’alimentation est normalement issue d’un circuit Phase + Neutre.
Le câblage doit être réalisé avec du fil de 0.5 à 0.75mm² de section. DotVision recommande l’utilisation de câble multibrin souple équipé d'embouts de câblage (férules) à chaque extrémité.
La ligne d’alimentation doit être protégée de manière adéquate en fonction de la section de câble utilisée. DotVision recommande l’utilisation d’une protection de 0.2 à 2A de votre choix (disjoncteur ou fusible).
L’appareil est équipé d’un fusible embarqué. Ce fusible sert de sécurité en cas de surtension et n’est pas remplaçable par l’utilisateur. Contactez DotVision si vous pensez que le fusible doit être remplacé.
Les figures suivantes montrent comment connecter le Spoony à sa source d’alimentation.
Figure 1. a - Connection de l’entrée d’alimentation du spoony version 1.5
Figure 1. b - Connection de l’entrée d’alimentation du spoony version 1.5.1
1.3 Mesure de puissance monophasée
L’appareil peut être utilisé pour mesurer jusqu’à 3 circuits monophasés.
Cette section couvre le cas d’usage d’une mesure sur une installation monophasée uniquement. Si vous souhaitez mesurer 3 équipements monophasés sur un réseau triphasé, merci de vous reporter à la section suivante et de suivre les recommandations concernant l’identification des canaux de mesure de Tension et Courant.
Lorsque le produit est utilisé sur un réseau électrique monophasé, toutes les entrées de mesure de tension (L1, L2 et L3) doivent être pontées.
Dans la plupart des cas, L1, L2 et L3 doivent être connectées avec l’entrée d’alimentation L, ce qui autorise l’utilisation d’un seul organe de protection pour protéger à la fois les entrées de mesure et d’alimentation.
L’entrée de mesure N’ doit être connectée au neutre d'alimentation N. Dans la plupart des cas, N’ est connectée avec l’entrée d’alimentation N.
Certains cas spéciaux peuvent nécessiter des paires Phase et Neutre séparées pour l’alimentation et la mesure, par exemple si la ligne mesurée peut être coupée dans des conditions normales d’utilisation. Dans ce cas, il n’est pas recommandé d’alimenter l’appareil depuis une source de tension intermittente pour éviter tout risque de perte de données. Ce cas particulier n’est pas détaillé dans ce document.
Les figures suivantes illustrent le raccordement typique sur un réseau monophasé avec l’alimentation et la mesure partagée.
Figure 2. a - Connexion des entrées d’alimentation et de mesure sur un réseau monophasé du spoony version 1.5
Figure 2. b - Connexion des entrées d’alimentation et de mesure sur un réseau monophasé du spoony version 1.5.1
DotVision recommande l’utilisation de férules doubles pour réaliser les ponts entre L, L1, L2, L3 d'une part et entre N et N’ d'autre part, comme dans l'exemple ci-dessous :
Figure 3 - Exemple de pontage des voies de mesure et d'alimentation du Spoony1.5 sur réseau monophasé
Les capteurs de courant sont ensuite installés sur les lignes désirées. DotVision fournit uniquement des capteurs ouvrants ou des boucles de Rogowski qui peuvent être installés sans débrancher les lignes mesurées. Se référer au paragraphe 1.5 pour la procédure détaillée.
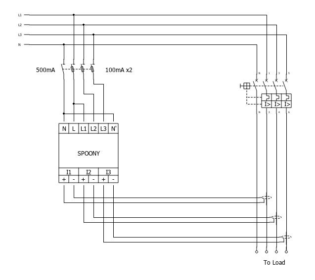
1.4 Mesure de puissance triphasée
L’appareil peut être utilisé pour la mesure sur réseaux triphasés.
La tension sur le terminal L1 doit correspondre à la phase passant au travers du capteur de courant 1.
La tension sur le terminal L2 doit correspondre à la phase passant au travers du capteur de courant 2.
La tension sur le terminal L3 doit correspondre à la phase passant au travers du capteur de courant 3.
Dans la plupart des cas, les phases sont facilement identifiées par leur couleur. Cependant, il peut être nécessaire d’utiliser un voltmètre pour confirmer leur identification.
Important : la mesure sur des réseaux triphasés peut être réalisée avec ou sans connexion au neutre. Cependant, une source monophasée Phase + Neutre entre 80 et 270VRMS reste nécessaire pour alimenter l’appareil.
Si l’équipement mesuré possède une connexion au neutre, le terminal de mesure N’ du Spoony doit être connecté au même neutre pour une précision optimale. Dans le cas contraire, l’entrée N’ peut être laissée non-connectée.
Le schéma suivant indique le câblage typique des terminaux d'alimentation et de mesure dans un environnement triphasé avec Neutre :
Figure 4. a – Câblage sur un réseau électrique triphasé avec neutre du spoony version 1.5
Figure 4. b – Câblage sur un réseau électrique triphasé avec neutre du spoony version 1.5.1
Les capteurs de courant peuvent ensuite être installés. Soyez attentif en identifiant les phases et assurez-vous que chaque capteur est monté sur le bon câble et dans le bon sens.
Se référer au paragraphe 1.5 pour la procédure détaillée d’installation des capteurs de courant.
1.5 Installation des capteurs de courant
Ce paragraphe couvre en détail l’installation des capteurs de courant. Merci de vous référer au paragraphe correspondant à votre modèle de capteur.
Les capteurs de courant doivent être installés correctement pour une précision optimale.
Sélectionnez toujours des capteurs de courant correspondant à votre section de câble et au courant maximum. Les transformateurs de courant peuvent être endommagés s’ils sont exposés à des courants au-delà de leurs spécifications.
Attention : tous les types de capteurs ont un sens de montage qui doit être respecté.
Attention : les capteurs fournis sont précâblés sur l'appareil pour des raisons fonctionnelles. Il est fortement déconseillé de débrancher ces capteurs au risque de compromettre la mesure, voire de rendre l'appareil inopérant. Si pour des contraintes quelconques les capteurs doivent être débranchés de l'appareil, veillez à identifier et noter convenablement la correspondance de chaque capteur avec son terminal sur l'appareil (Phase1, Phase2 ou Phase3) ainsi que sa polarité de branchement (fil noir sur la borne négative "-") pour rétablir l'appareil dans sa configuration initiale.
1.5.1 Transformateurs de courant ouvrants (tores)
Ces capteurs sont de type transformateur de courant ouvrants : ils possèdent une arche articulée sur un axe pour s'ouvrir et se refermer. Les références suivantes sont des exemples de capteurs ouvrants :
- LEM : TT 50-SD, TT 100-SD, TOP90,
- YHDC : SCT010, SCT016, SCT023, SCT032
Les instructions d'installation des tores de courants sont les suivantes :
- Ouvrir le capteur
- Identifier le sens de montage : tous les capteurs ont une flèche qui doit être orientée vers la charge (sens conventionnel du courant) une fois le capteur en place
Figure 5 – Indication de sens de montage sur les capteurs de courant ouvrants
- S’assurer de l’absence de poussière et de débris sur les ferrites avant de refermer le capteur (pièces noires dans la figure 5),
- Placer le capteur autour du câble dans le bon sens identifié à l'étape 2 et le refermer. Un "clic" sonore indique que le capteur est correctement refermé,
- Vérifier la fermeture du capteur en tirant légèrement sur l'arche articulée,
- Quand le capteur est équipé de système de fixation, solidariser le capteur au câble à l’aide de colliers ou de la visserie fournie avec l'appareil,
- Fixez toujours les câbles de mesure de manière appropriée pour éviter tout endommagement (tension, torsion, cisaillement…).
1.5.2 Capteurs Boucles de Rogowski
Comme pour les tores, ces capteurs sont à ouvrir pour l’installation et présentent l’avantage d’être totalement flexibles, permettant une installation aisée sur des jeux de barres (bus-barre) par exemple. Les références suivantes sont des exemples de boucles de mesure :
- LEM : ART-B22-D70, ART-B22-D125,
- YHDC : RFSZ-80-85, RFSZ-105-85.
Quelques précautions sont nécessaires avec ce type de capteur :
- Les câbles reliant les capteurs au Spoony sont des câbles coaxiaux. Ils doivent être manipulés avec précaution pour éviter de les endommager (tension, torsion, cisaillement…),
- Les capteurs doivent être fixés sur le conducteur primaire à mesurer à l’aide de colliers insérés dans les languettes prévues à cet effet,
- La boucle de mesure (partie flexible qui s’installe autour du conducteur primaire) doit se trouver le plus loin possible de tout autre conducteur à proximité. Si c’est inévitable, limiter le contact avec les conducteurs adjacents au maximum,
- Garder la boucle de mesure perpendiculaire au conducteur primaire dans la mesure du possible et évitez de la déformer. Idéalement, la boucle de mesure doit décrire un cercle parfait,
- Comme pour les tores, le sens de montage est indiqué par une flèche qui doit pointer en direction de la charge (sens conventionnel du courant) une fois le capteur installé,
Figure 6 – Vue détaillée de l’indication de sens sur les Boucles de Rogowski
Se référer à la documentation détaillée du constructeur pour toute précision sur le montage et l’utilisation des boucles de Rogowski.
1.6 Schéma d’installation type, réseau monophasé
1.7 Schéma d’installation type, réseau triphasé avec Neutre
1.8 Schéma d’installation type, réseau triphasé sans Neutre. Phase et Neutre disponibles depuis une autre source pour l’alimentation
2 Connection au réseau
2.1 Connexion câblée Ethernet
L’appareil peut être connecté à votre réseau local (LAN) via une connexion Ethernet.
Le connecteur RJ45 est situé sur le haut de l’appareil.
L’appareil est équipé d’une interface 10Base-T, 100Base-TX avec Auto-Négociation et Auto-MDIX.
Veuillez noter que l’appareil peut être utilisé en mode déconnecté, sans connexion au réseau. Dans ce cas, la configuration de l’appareil sera uniquement possible en accédant directement à la carte MicroSD située dans l’appareil. Se référer au chapitre 4 concernant la configuration de l’appareil.
2.2 Connexion Wifi
La connexion au réseau peut également être réalisée en Wifi (extension en option).
Lorsqu’elle est installée, l’extension Wifi permet les modes de fonctionnement Point d’accès et Station. Se référer au paragraphe 4.2 pour les détails de la configuration en mode Wifi.
3 Connexion RS485 (Modbus)
L’appareil est équipé d’un port RS485 permettant les fonctionnalités Modbus Client (Master) et Server (Slave).
Le câblage du bus RS485 doit être réalisé conformément à EIA-485. Ceci inclus notamment l’utilisation de résistances de terminaison adéquates ainsi que la sélection du débit en fonction de la longueur du bus et de la charge.
Spoony est doté d’un connecteur 3 bornes permettant le raccordement au bus RS485. Vue détaillée du connecteur ci-dessous.
Figure 7 – Vue détaillée du connecteur RS485
Le mode Modbus souhaité (Client ou Server) doit également être configuré. Se référer à la section 4.5 pour plus de détails.
4 Raccordement TIC
L’appareil est équipé d’une entrée démodulateur TIC. Cette entrée permet le raccordement à la plupart des compteurs d’énergie des fournisseurs d’électricité, incluant le Linky ainsi que les anciennes générations de compteurs électriques.
Pour fonctionner correctement, le compteur raccordé doit être configuré en mode Téléinformation.
Le câblage doit être réalisé à l’aide d’un câble simple paire torsadée comme indiqué sur le schéma ci-dessous.
Figure 8. a – Câblage de l’entrée TIC du spoony version 1.5
Figure 8. b – Câblage de l’entrée TIC du spoony version 1.5.1
Note : Le signal TIC n’impose pas de polarité
La fonctionnalité TIC doit être configurée et activée dans la configuration du service Automation. Se référer à la section 4.4 pour plus d’informations.
5 Connexion des relais
L’appareil est équipé de 3 sorties drain ouvert avec une capacité de 12V/250mA, ainsi que de 3 sorties 12V avec une capacité de sortie totale de 500mA.
Ces sorties (OUT A, OUT B et OUT C) peuvent être utilisées pour piloter des relais ou d’autres équipements compatibles, ajoutant ainsi une capacité de pilotage à l’appareil.
Figure 9. a – Câblage des sorties relais du spoony version 1.5
Figure 9. b – Câblage des sorties relais du spoony version 1.5.1
Commentaires
0 commentaire
Vous devez vous connecter pour laisser un commentaire.